Mining Motor
-
WOLONG NanyangATB brand YBSD series flameproof AC 3 Phase Motors for convey
WOLONG Nanyang Morely brand YBSD series conveyors explosion proof three-phase asynchronous motors are special motors for driving bendable scraper conveyors, belt conveyors or other equipment in coal mines.
-
WOLONG Nanyang ATB brand YBS series conveyors Flameproof 3 phase asynchronous induction motor
WOLONG Morely brand YBS series conveyors explosion proof 3 phase electrical motor are special motors for driving bendable scraper conveyors, belt conveyors or other equipment in coal mines.
-
WOLONG Nanyang ATB brand YBC series Coal shearer cutting motor
YBC series cutting motors apply WOLONG Morely brand world-leading motor design and manufacturing technology, a full set of quality control systems, select high-quality raw materials and components, and adhere to WOLONG Morely supervision in design, manufacturing and testing to ensure their excellent performance and reliability.
-
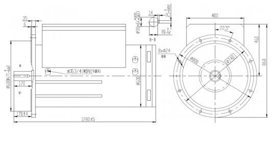
WOLONG Nanyang ATB brand YBSS series flameproof three-phase asynchronous motor for conveyor

Application
YBSS series conveyors explosion proof three-phase asynchronous motors are special motors for driving bendable scraper conveyors, belt conveyors or other equipment in coal mines. The explosion-proof performance of the motor is in accordance with GB3836.1-2010 “Explosive Atmosphere Part 1: General Requirements for Equipment” and GB3836.2-2010 Explosive Atmosphere Part 2: Equipment Protected by Flameproof Enclosure “d”. Its explosion-proof mark is “Ex d I Mb” (“Exd I”-before 2010). It is suitable for the place where the explosive gas mixture of methane or coal dust exists.
Description
Y B S S – 250 – 4G
Y B – Asynchronous motor, flameproof type
S- Conveyor
S- Water cooling
250 – Power(kW)
4- Poles
G- Plateau
Ex dⅠMb
Ex–Explosion Protection Mark
d–Type of Explosion Protection(Explosion-proof Type)
Ⅰ — Electrical Apparatus Class(ClassⅠ)
Mb — Equipment Protection Degree
Basic parameters:
Rated voltage: 660/1140V, 1140V, 3300V
Rated frequency: 50Hz
Rated power: 160~1600kW, 110/55~1000/500kW
Number of poles: 4, 4/8
Thermal classification: 180(H)
Temperature rise limit: 135K
Installation method: IMB10, IMB5, IMB3, IMB35
Protection level: IP55
Cooling method: IC3W7
Ambient air temperature: 0~+40℃
Operation mode: S1
Altitude: ≤1000mm
Indoor (standard configuration)
Explosion-proof mark (standard configuration): Exd I Mb
Parameter


-
WOLONG Nanyang ATB brand YBBP series (water-cooled) explosion-proof variable frequency speed regulation Three-phase asynchronous Ome motor
WOLONG Nanyang Moeley brand YBBP series (water-cooled) explosion-proof China variable motor use WOLONG Morley’s world-leading motor design and manufacturing technology and a full set of quality control systems.
-
WOLONG Nanyang ATB brand TBVF series China three-phase permanent magnet Ex synchronous vsd mine motor
This series of WOLONG Schorch brand motors plays a huge role in mining, coal, shipping, metallurgy, chemical industry, building materials, electric power, oil fields and other fields, and has been widely used.
-
WOLONG Nanyang ATB brand YBRB series flameproof three-phase asynchronous water pump motor
The flameproof three-phase asynchronous motor for WOLONG Schorch brand brand YBRB series pumping station (hereinafter referred to as: motor) is a special flameproof wound rotor motor for driving emulsion pumping station, spray pumping station or other pumping station equipment in the underground mining working face of coal mines.