Wolong Nanyang YBU/YBUS/YBUD series flameproof three-phase asynchronous motors for tunnel boring machines are flameproof three-phase asynchronous motors developed by Wolong Nanyang according to market demand.
The explosion-proof performance of this series of motors complies with the provisions of IEC/CE standards, and the explosion-proof mark is Exd II BT4, which is suitable for places where explosive gas mixtures exist. It is widely used in tunnel excavation work in various complex environments.
Description
Y B U - 75- 4
Y B - Asynchronous motor, flameproof type
U- For tunnel boring machine
75 - Power(kW)
4- Poles
Y B U S - 120- 4
Y B - Asynchronous motor, flameproof type
U- For tunnel boring machine
S- Water cooler method
120 - Power(kW)
4- Poles
Y B U S - 220/160- 4/8 (A)
Y B - Asynchronous motor, flameproof type
U- For tunnel boring machine
S- Water cooler method
220/160- Power(kW)
4/8- Poles
(A)- Design Number
Ex dⅠMb
Ex--Explosion Protection Mark
d--Type of Explosion Protection(Explosion-proof Type)
Ⅰ -- Electrical Apparatus Class(ClassⅠ)
Mb -- Equipment Protection Degree
Rated voltage: 660/1140V, 1140V, 3300V
Rated frequency: 50Hz
Rated power: 120~315kW, 132/55~300/220kW
Number of poles: 4, 4/8, 4/6
Thermal classification: 180(H)
Temperature rise limit: 135K
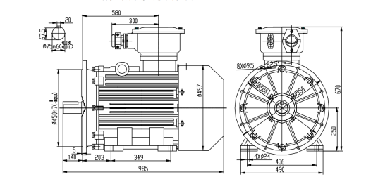
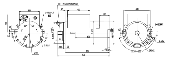
Installation method: IMB10
Protection level: IP55
Cooling method: IC3W7
Ambient air temperature: 0~+40℃ (water cooling)
Operation mode: S1
Altitude: ≤1000mm
Indoor (standard configuration)
Explosion-proof mark (standard configuration): ExdI Mb
Parameter

Mounting


